虎牌玩具有限公司
虎牌玩具有限公司是一家中型企业,生产的玩具一部分在国内销售,另外一部分出口。陈氏家族于十年前创办了该公司,他们一直持有公司大部分股份。公司起初在租用的厂房里制作传统玩具,迄今发展成拥有两家工厂、240名工人、78名营销及行政管理人员的企业。
在最近一次的董事会上,营销总监提议生产新型的电子玩具以开拓海外市场。该方案涉及购买3,000,000元的新设备,并且需要寻找与新设备配套的厂房。营销总监提出,一些传统产品已到生命周期的最后阶段,应该停产,这样可以减少所占的厂房空间。几位陈家的成员反对该方案,认为传统产品也可以开发新的海外市场。公司营销团队按照董事会主席按照陈先生的指示制定出了传统产品的推广计划,如表A所示。
表A

财务部对与采购新设备有关的支出和收益进行了估算(见表B)。一旦营销部确定了销售价格和预计月销售量,财务部就能够对贡献率、盈亏平衡点以及潜在的利润水平做出估算。

如果按照22元/单位的售价,营销部预计月销售量为2200个单位。
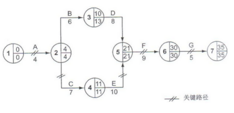
利用案例中的信息,制作一张关键工序分析图,把表A中推广计划的关键路径展示出来,包括该项目的最早开始时间和最晚结束时间。
【正确答案】:

【题目解析】:

。