有一个16K×16位(bit)的存储器,由1K×16位(bit)的DRAM芯片构成,问: (1)总共需要多少DRAM芯片?

作者:高老师 浏览 0

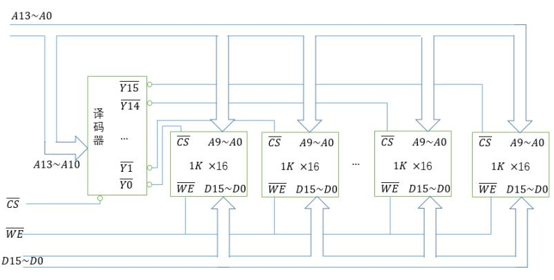
有一个16K×16位(bit)的存储器,由1K×16位(bit)的DRAM芯片构成,问:
(1)总共需要多少DRAM芯片?
(2)画出存储体的示意图。
【正确答案】:

📱 扫码体验刷题小程序

微信小程序二维码

扫一扫使用我们的微信小程序

热门题目

已复制到剪贴板