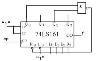
题42表为74LS161真值表,试用74LS161设计一个异步置零的5进制计数器。 要求: (1)写出S5的二进制代码; (2)写出反馈置0的函数表达式; (3)完成逻辑图连线,并在各输入输出端标上连接信号。 
【正确答案】:
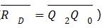
(1)S5 的二进制代码:S5 =0101 ;(1 分)(2)反馈置 0 的函数表达式:
答案为
(两个式子虽然等价,反馈置零端是低电平有效,此式子更符合要求
;(1 分)(3)完成逻辑图连线:(5 分)
【题目解析】:首先需要明确74LS161是同步二进制计数,熟知各个引脚的功能。本题目要求实现异步置零,异步置零端是RD,并且该引脚为低电平有效。要设计一个五进制的计数器,需要写出S<>5>的二进制代码,找出该代码中是1的端是Q<>2> 和Q<>0>,从这两个端引出信号经过一个与非门连到R<>D>端。74LS161从0000状态每来一个始终脉冲加1,依次为0000、0001,0010,0011,0100,0101,输出为0101时,RD端为低电平,输出状态立即置零。0101这个状态为过渡态。