固定偏置放大电路如题31图所示,已知硅晶体管的β=50,UˇBEQ=0.6V。要求:(1)计算静态集电极电流IˇCQ和电压UˇC

作者:高老师 浏览 0

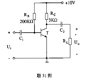
固定偏置放大电路如题31图所示,已知硅晶体管的β=50,UˇBEQ=0.6V。
要求:
(1)计算静态集电极电流IˇCQ和电压UˇCEQ;
(2)确定硅晶体管的工作状态。


【正确答案】:

📱 扫码体验刷题小程序

微信小程序二维码

扫一扫使用我们的微信小程序

热门题目

已复制到剪贴板