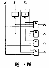
逻辑电路如题13图所示,由其逻辑功能判断应为

作者:高老师 浏览 0

逻辑电路如题13图所示,由其逻辑功能判断应为


A、编码器
B、译码器
C、加法器
D、数据分配器
【正确答案】:D
【题目解析】:由图得,该电路为数据分配器

📱 扫码体验刷题小程序

微信小程序二维码

扫一扫使用我们的微信小程序

热门题目

已复制到剪贴板