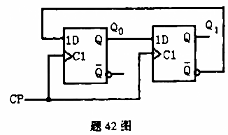
分析题42图所示同步时序电路的逻辑功能。要求:(1)写出驱动方程;(2)写出状态方程;(3)画出状态转换图,判断是否能自启动。

作者:高老师 浏览 0

分析题42图所示同步时序电路的逻辑功能。要求:
(1)写出驱动方程;
(2)写出状态方程;
(3)画出状态转换图,判断是否能自启动。


【正确答案】:

📱 扫码体验刷题小程序

微信小程序二维码

扫一扫使用我们的微信小程序

热门题目

已复制到剪贴板