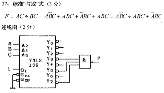
将下列函数写成标准“与或”式;并用74LS138和与非门实现,完成电路的连线。 F=AC+BC

作者:高老师 浏览 0

将下列函数写成标准“与或”式;并用74LS138和与非门实现,完成电路的连线。 F=AC+BC


【正确答案】:

📱 扫码体验刷题小程序

微信小程序二维码

扫一扫使用我们的微信小程序

热门题目

已复制到剪贴板