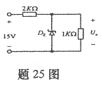
硅稳压二极管组成的稳压电路如题25图所示,已知稳压管的VZ=6v,则U0= _________ V。

作者:高老师 浏览 0

硅稳压二极管组成的稳压电路如题25图所示,已知稳压管的VZ=6v,则U0= _________ V。


【正确答案】:5

📱 扫码体验刷题小程序

微信小程序二维码

扫一扫使用我们的微信小程序

热门题目

已复制到剪贴板