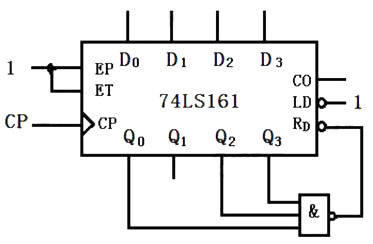
题42表为74LS161真值表,试用74LS161设计一个异步置零的13进制计数器。 要求: (1)写出S13的二进制代码; (2)写出反馈置零的函数表达式; ⑶完成題42图的逻辑图连线,并在各输入输出端标上连接信号。 (注:如有需要,可选与非门电路) 
【正确答案】:


题42表为74LS161真值表,试用74LS161设计一个异步置零的13进制计数器。 要求: (1)写出S13的二进制代码; (2)写出反馈置零的函数表达式; ⑶完成題42图的逻辑图连线,并在各输入输出端标上连接信号。 (注:如有需要,可选与非门电路) 


📱 扫码体验刷题小程序
扫一扫使用我们的微信小程序