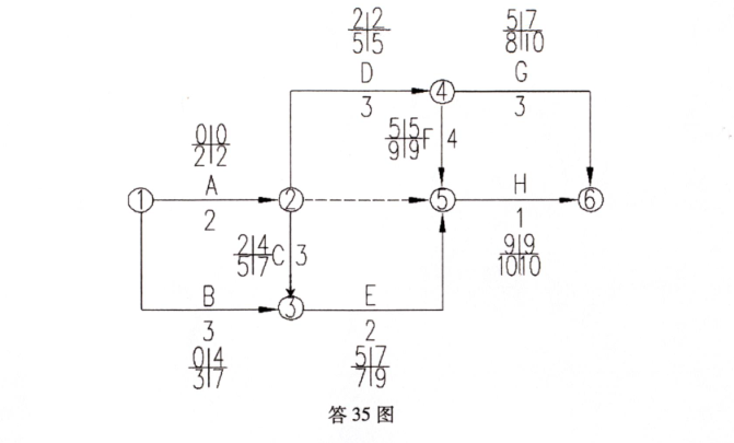
根据下表中各工作的逻辑关系和持续时间,绘制双代号网络图,并用图上计算法计算各工作时间参数(ES、LS、EF、LF),找出该网络图

作者:高老师 浏览 0

根据下表中各工作的逻辑关系和持续时间,绘制双代号网络图,并用图上计算法计算各工作时间参数(ES、LS、EF、LF),找出该网络图的关键线路(在图中用双箭号标示)。


【正确答案】:

解:


📱 扫码体验刷题小程序

微信小程序二维码

扫一扫使用我们的微信小程序

热门题目

已复制到剪贴板