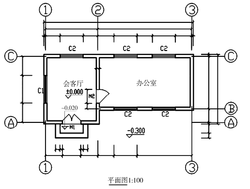
根据下面的平面图,在平面图上完成下列各项内容:
(1)标出定位轴线及编号;
(2)标注尺寸(不用写出尺寸数字);
(3)标注室内外地面标高符号。(办公室与室外地坪高差0.3m,与室外台阶顶面高差0.02m)
(4)画出门窗的图例(其中M1为1200×2100双扇平开门,M2为900×2100单扇平开门)。
【正确答案】:

根据下面的平面图,在平面图上完成下列各项内容:
(1)标出定位轴线及编号;
(2)标注尺寸(不用写出尺寸数字);
(3)标注室内外地面标高符号。(办公室与室外地坪高差0.3m,与室外台阶顶面高差0.02m)
(4)画出门窗的图例(其中M1为1200×2100双扇平开门,M2为900×2100单扇平开门)。

📱 扫码体验刷题小程序
扫一扫使用我们的微信小程序