翰林刷题,免费考试真题网站!
首页
关于我们
首页
›
分类
› 详情
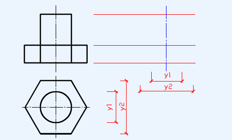
补绘形体的第三投影
作者:高老师
时间:2024-08-04
浏览 0
补绘形体的第三投影
【正确答案】:
📱 扫码体验刷题小程序
扫一扫使用我们的微信小程序
热门题目
证券公司可以委托( )代为推广集合资产管理计划。Ⅰ.其他证券公司Ⅱ.商业银行Ⅲ.证券交易所Ⅳ.中国证券业协会
有限责任公司的权力机构是 ( )
教育心理学
简述游戏的特点。
编制时间数列时,为了保证分析结果的科学性,应该遵循哪些原则?
dominating 这个单词的意思是()
Aggregate statistics for 1991 were influenced by the sharp decli
maturity
经营会计师事务所是否如同经营其他公司?是否能用广告或其他促销方式来扩大业务量?
建立组织职位时的基础是( )
转换成本(),则竞争激烈。
受灾后,对于出现过度反应的患者,护理人员的处理应为:
➕
➖
📋
⬆️
已复制到剪贴板