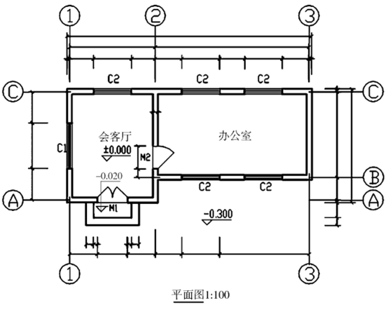
根据下面的平面图,在题22图上完成下列各项内容:(1)标出定位轴线及编号;(2)标注尺寸(不用写出尺寸数字);(3)标注室内外地面标高符号。(办公室与室外地坪高差0.3m,与室外台阶顶面高差0.02m)(4)画出门窗的图例(其中M1为100X2100双扇平开门,M2为900X210单扇平开门)。 
【正确答案】:
(1)标出定位轴线及编号;
(2)标注尺寸(不用写出尺寸数字);
(3)标注室内外地面标高符号(办公室与室外地坪高差0.3m,与室外台阶顶面高差0.02m);
(4)画出门窗的图例(其中M1为1200X210双扇平开门,M2为900X2100单扇平开门)。