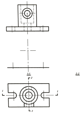
在指定位置绘制1-1半剖面图,并绘制2-2全剖面图。

作者:高老师 浏览 1

在指定位置绘制1-1半剖面图,并绘制2-2全剖面图。


【正确答案】:
评分标准: (1)1-1 剖面 4 分,其虚线改为实线 2 分,去掉多余的线 1 分,剖面线 1 分。
(2)2-2 剖面 6 分,轮廓线 5 分,剖面线 1 分。

📱 扫码体验刷题小程序

微信小程序二维码

扫一扫使用我们的微信小程序

热门题目

已复制到剪贴板