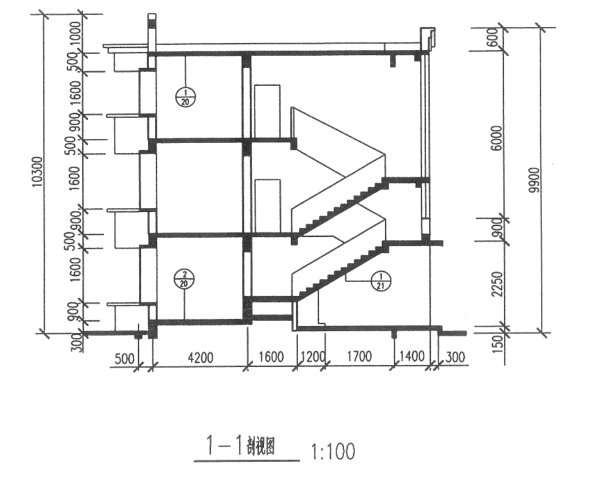
下图是作了1-1剖面的房屋的侧立面图,在图上补画:(1)定位轴线的竖向编号;(2)房间内地面、各层楼面的标高尺寸;(3)说明详图 作者:高老师 时间:2024-08-04 浏览 2 下图是作了1-1剖面的房屋的侧立面图,在图上补画:(1)定位轴线的竖向编号;(2)房间内地面、各层楼面的标高尺寸;(3)说明详图符号、、的含义。【正确答案】: 📱 扫码体验刷题小程序 扫一扫使用我们的微信小程序