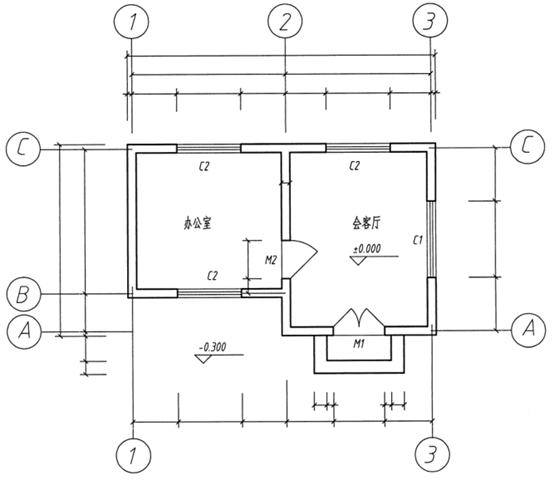
根据下面的平面图,在图上完成下列各项内容:(1)标出定位轴线及编号;(2)标注尺寸(不用写出尺寸数字);(3)标注室内外地面标高符号;(4)画出门的图例(其中M1为1200×200双扇平开门,M2为900×2100单扇平开门)。
【正确答案】:
(1)标出定位轴线及编号;
(2)标注尺寸(不用写出尺寸数字);
(3)标注室内外地面标高符号;
(4)画出门的图例(其中M1为1200×100双扇平开门,M2为900×2100单扇平开门)。
根据下面的平面图,在图上完成下列各项内容:(1)标出定位轴线及编号;(2)标注尺寸(不用写出尺寸数字);(3)标注室内外地面标高符号;(4)画出门的图例(其中M1为1200×200双扇平开门,M2为900×2100单扇平开门)。
(1)标出定位轴线及编号;
(2)标注尺寸(不用写出尺寸数字);
(3)标注室内外地面标高符号;
(4)画出门的图例(其中M1为1200×100双扇平开门,M2为900×2100单扇平开门)。
📱 扫码体验刷题小程序
扫一扫使用我们的微信小程序